Клапанные блоки ЭЛЕМЕР-БК используются в системах автоматического контроля при подключении датчиков давления к импульсным линиям. Также они нашли применения в системах регулирования и контроля различными технологическими процессами.
Функциональные возможности
Защита от односторонней перегрузки;
Дренаж импульсных линий и датчика;
Периодический контроль установки выходного сигнала, соответствующего нижнему значению измеряемого давления;
Подключение контрольных и образцовых приборов.
Основные характеристики
Жидкость, пар, газ;
Давление рабочей среды — до 63 МПа (ЭЛЕМЕР-БК-Е), до 40 МПа (ЭЛЕМЕР-БК-А, ЭЛЕМЕР-БК-С);
Температура рабочей среды — –60…+170 °С;
Предельные значения температур окружающего воздуха при эксплуатации — –60…+70 °С;
Материал корпуса — 08Х17Н13М2 (316L), 12Х18Н10Т (атомное исполнение);
Материал запирающего элемента (кран-буксы):
сталь 30Х13 (уплотнение шариком, иглой) — базовое исполнение — наработка в течение гарантийного срока эксплуатации — 500 циклов;
твердый сплав ВК-8 (уплотнение иглой) — наработка в течение гарантийного срока эксплуатации — 1500 циклов.
Варианты исполнений:
общепромышленное;
для работы на газообразном кислороде (планируется).
Гарантийный срок эксплуатации — 2 года.
Модели: ЭЛЕМЕР-БК-А, ЭЛЕМЕР-БК-С, ЭЛЕМЕР-БК-Е.
Краны шаровые
Оставить заявку
Краны серии КШМ обеспечивает выполнение проверки нуля измерителя давления. Краны серии КШМ обеспечивают возможность проверки нуля манометров путем соединения измерительной камеры прибора с атмосферой. Специфические конструктивные особенности обеспечивают КШМ эксплуатационные преимущества перед аналогичными изделиями других производителей.
Краны серии КШЗ эксплуатируются при высоком давлении до 16 МПа (160 кгс/см2) и при высокой температуре рабочей среды до 160 °С. Краны КШЗ-10 штуцерно-ниппельного присоединения к процессу могут располагаться удалено от датчиков давления (манометров), создавая дополнительное удобство при эксплуатации и обслуживании приборов.
Системы вентильные СВН-МЭ предназначены для подключения датчиков давления (АИР-10) и электроконтактных манометров (ЭКМ-1005 и ЭКМ-2005) разности давлений к импульсным линиям и выравнивания давления в измерительных камерах датчика, а также для периодического контроля установки выходного сигнала, соответствующего нижнему значению измеряемой разности давлений.
Конструктивные особенности: В конструкции вентильной системы предусмотрены 2 изолирующих вентиля, обеспечивающих отсечку каждой импульсной линии, уравнительный вентиль для уравнивания давления в измерительных камерах датчика, а также дренаж импульсных линий для удаления воздушных пробок или слива конденсата.
Кронштейны
Оставить заявку
Кронштейн со скобой предназначен для крепления датчиков давления и электроконтактных манометров на трубу Ø50 мм.
Конструктивные особенности
КР1 — АИР-10L, АИР-10Н, АИР-10SH;
КР1А2 — АИР-20/М2-Н (для корпуса А2);
КР2 — АИР-20/М2-Н (для корпуса А3), ЭЛЕМЕР-100, САПФИР-22ЕМ, ЭЛЕМЕР-АИР-30 (штуцерного исполнения);
Разделители сред ЭЛЕМЕР-РС предназначены для защиты чувствительного элемента прибора (преобразователя давления или электронного манометра) от воздействия и влияния измеряемых сред, характеризующихся химической агрессивностью, по отношению к смачиваемым материалам преобразователя, высокими температурами, а также вязких, застывающих, полимеризующихся, кристаллизующихся и загрязненных.
При необходимости удаленного размещения преобразователя давления (манометра) применяются разделители сред дистанционного типа, оснащенные капиллярной линией до 10 метров.
Разделители сред ЭЛЕМЕР-РС делятся на два вида конструктивных исполнений: с разборной конструкцией и сварной (неразборной) конструкцией.
Основные характеристики
Номинальное давление — 60 МПа;
Диапазон рабочих давлений — -0,1...60 МПа;
Диапазон рабочих температур — -60...+200 °С;
Материал мембраны — нержавеющая сталь 316L, нержавеющая сталь 316L с фторопластовым покрытием, ХН65МВ (Хастеллой-С);
Материал корпуса и фланца — нержавеющая сталь 12Х18Н10Т.
Переходники ПШ-В
Оставить заявку
Переходники (ПШ) общего применения предназначены для подсоединения импульсных линий к датчикам давления разных производителей, соединения импульсных линий с различными резьбовыми соединениями между собой и для других применений в соответствии с требованиями технологических процессов.
Основные характеристики
Материал переходников — нержавеющая сталь 12Х18Н10Т;
Максимальное давление рабочей среды — 40 МПа.
Отборные устройства (отводы сифонные, демпферные трубки, трубки Перкинса)
Оставить заявку
Отборные устройства (ОУ) предназначены для охлаждения измеряемой среды, поступающей в рабочие полости приборов измерения давления, а также для присоединения к трубопроводам с рабочей средой.
Основные характеристики:
Резьба для присоединения приборов измерения давления — внутренняя или наружная М20×1,5 или G1/2";
Максимальное давление — 40 МПа;
Материалы:
сталь углеродистая (базовое исполнение);
нержавеющая сталь 12Х18Н10Т.
Охладители
Оставить заявку
Охладители предназначены для охлаждения измеряемой среды, поступающей в рабочие полости приборов для измерения давления.
Охладители ОС100 (далее — ОС) предназначены для охлаждения измеряемой среды, поступающей в рабочие полости приборов для измерения давления.
Основные характеристики:
Присоединительные размеры*:
на входе среды — наружная резьба М20×1,5;
на выходе среды — внутренняя резьба М20×1,5;
Материал корпуса — нержавеющая сталь 12Х18Н10Т.
Охладители тип CS
Конструктивные особенности: Охладитель представляет собой деталь цилиндрической формы, оребренную перпендикулярно оси симметрии. Принцип действия охладителя основан на конвективном теплоотводе, поэтому при вводе в эксплуатацию устройство не требует подвода охлаждающей жидкости, обдува воздухом или каких-либо других специальных мероприятий.
Технические характеристики:
Рабочие среды: любые не агрессивные;
Диапазон рабочих давлений: –1...250 кГс/см2;
Диапазон рабочих температур:–50…+300 °С;
Вносимая погрешность: 0%;
Внутренний объем: 0,5 см3
Линии импульсные, линии капилярные
Оставить заявку
Импульсные трубки для датчика давления используются для гидравлической передачи давления от первичного измерительного преобразователя (мембранного разделителя) к датчику удаленного монтажа.
Импульсные, капиллярные линии (ЛИ) и рукава соединительные 55004 используются для гидравлической передачи давления от первичного измерительного преобразователя (мембранного разделителя) к датчику удаленного монтажа в случаях:
Если температура измеряемой среды превышает допустимый для работы датчика предел;
В случае трудного доступа к датчику;
При подключении датчика к процессу через разделительные, уравнительные, конденсационные сосуды.
Капиллярные линии ЭЛЕМЕР-ЛК предназначены для гидравлической связи разделителя и прибора измерения давления в том случае, если они монтируются на расстоянии друг от друга или через разделитель сред. Вторая важная функция — охлаждение измерительной жидкости на входе в прибор в случае эксплуатации разделителя на высокотемпературных рабочих средах.
Модель М1 — стандартное исполнение. Применяется для всех типов разделителей сред небольших размеров.
Модель М2 — со встроенным адаптером (специальная приварная металлическая трубка с каждой стороны капиллярной линии, обеспечивающая дополнительную прочность конструкции). Применяется для всех типов разделителей сред небольших и больших размеров.
Технические характеристики:
Размеры капилляра (диаметр × толщина стенки): 3 × 0,5 мм (Модель М1), 3 × 0,5 мм, 3 × 0,8 мм (Модель М2);
Адаптер (держатель): со встроенным адаптером; специальная приварная металлическая трубка с каждой стороны капиллярной линии, обеспечивающая дополнительную прочность конструкции (Модель М2);
Диапазон рабочих температур: –50...+300 °С
Материал капилляра: нержавеющая сталь 316L (03Х17Н14М3), нержавеющая сталь 12Х18Н10Т;
Размерный ряд длин капиллярной линии: 1; 2; 3; 5 (Для М1), 0,5; 1; 2; 3; 4; 5 (Для М2).
Гасители пульсаций, демпферные устройства
Оставить заявку
Гасители пульсаций, демпферные устройства - устройства для защиты чувствительного элемента измерительного прибора от воздействия гидроударов и/или пульсаций рабочей среды.
Технические характеристики:
Рабочие среды: Масла (Для степени демпфирования 1...4), Воздух, газы (Для степени демпфирования 5), Вода, пар (Для степени демпфирования 6...12);
Время переходного процесса при совместной работе с манометром диаметром 160 мм: 1...10 с (Для степени демпфирования 1...4), 1...5 с (Для степени демпфирования 5), 0,5...2 с (Для степени демпфирования 6...12);
Эффективность подавления пульсаций: 90...100%;
Рабочая температура: –40...200 °С;
Вносимая погрешность: 0%.
Демпферное устройство (ДУ) обеспечивает снижение пульсаций рабочей среды и предохраняет измерительный прибор (датчик давления, электроконтактный манометр) от гидравлических ударов.
Основные характеристики:
Материал корпуса;
сталь углеродистая (ДУ);
нержавеющая сталь 12Х18Н10Т (ДУ-Н);
Материал перегородок — латунь (ДУ);
Материал шайб — фторопласт.
Измерительные диафрагмы расходомера
Оставить заявку
Диафрагмы для измерения расхода предназначены для создания перепада давления при измерении расхода жидкостей, газов или пара по методу переменного перепада давления. Диафрагмы камерные ДКС и диафрагмы бескамерные ДБС производятся по ГОСТ 8.586.2-2005.
В зависимости от конструкции, требований установки, а также от давления и условного прохода различают:
Диафрагмы ДКС (диафрагмы камерные);
Диафрагмы ДБС (диафрагмы бескамерные);
Диафрагмы ДФК (диафрагмы фланцевые, камерные);
Специальные диафрагмы.
Для монтажа диафрагм ДКС, ДБС и ДФК на измерительном трубопроводе применяются фланцевые соединения КФ и ФС.
Сосуды
Оставить заявку
Сосуды предназначены для исключения влияния на измерения высоты столба жидкости в импульсной линии при измерении дифманометрами уровня жидкости в резервуарах.
Сосуды уравнительные СУ предназначены для исключения влияния на результат измерений высоты столба жидкости в импульсной линии путем поддержания постоянного уровня жидкости в сосуде по отношению к измеряемому переменному уровню в резервуарах при измерении дифманометрами уровня жидкости в резервуарах, а также перепада давления или расхода жидкостей с температурой свыше 100 °С для обеспечения равенства плотностей жидкости в импульсных линиях. Условное обозначение:
СУ-6,3-2-А;
СУ-6,3-2-Б;
СУ-25-2-А;
СУ-25-2-Б;
СУ-6,3-4-А;
СУ-6,3-4-Б;
СУ-40-А;
СУ-40-Б.
Сосуды разделительные СР предназначены для защиты внутренних полостей дифманометров от непосредственного воздействия измеряемых агрессивных сред путем передачи измеряемого давления через разделительную жидкость. Условное обозначение:
СР-6,3-2-А;
СР-6,3-2-Б;
СР-25-2-А;
СР-25-2-Б;
СР-6,3-4-А;
СР-6,3-4-Б;
СР-40-А;
СР-40-Б.
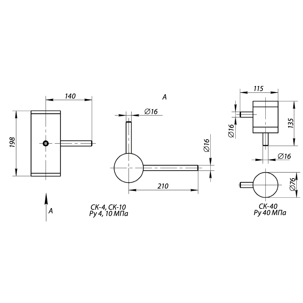
Сосуды уравнительные конденсационные СК предназначены для поддержания постоянства и равенства уровней конденсата в системе, передающей перепад давления от диафрагмы к дифманометру, при измерении расхода водяного пара. Условное обозначение:
СК-4-1-А;
СК-4-1-Б;
СК-10-1-А;
СК-10-1-Б;
СК-40-А;
СК-40-Б.
Комплекты монтажных частей КМЧ
Оставить заявку
Переходники, бобышки, фланцы для присоединения к технологическому процессу любого датчика давления, включают в себя все необходимые крепежные детали и уплотнительные элементы.
Конструктивные особенности
T1Ф, Т1М — Прокладка (Ф-4УВ15 или М1);
T2Ф, Т2М — Переходник с М20×1,5 на наружную резьбу М12×1,5; прокладка (Ф-4УВ15 или М1);
T3Ф, Т3М — Переходник с М20×1,5 на внутреннюю резьбу K1/4" (1/4"NPT), прокладка (Ф-4УВ15 или М1);
T4Ф, Т4М — Переходник с М20×1,5 на внутреннюю резьбу K1/2" (1/2"NPT), прокладка (Ф-4УВ15 или М1);
T5Ф, Т5М — Переходник с М20×1,5 на наружную резьбу K1/4" (1/4"NPT), прокладка (Ф-4УВ15 или М1);
T6Ф, Т6М — Переходник с М20×1,5 на наружную резьбу K1/2" (1/2"NPT), прокладка (Ф-4УВ15 или М1);
T7Ф, Т7ФУ или Т7М, Т7МУ — Гайка М20×1,5; ниппель; прокладка (Ф-4УВ15 или М1);
С1Р, С1Ф — Два монтажных фланца с резьбовым отверстием К1/4" (1/4"NPT); крепеж; прокладки (резина (Р) или фторопласт (Ф));
С2Р, С2Ф — Два монтажных фланца с резьбовым отверстием К1/2" (1/2"NPT); крепеж, прокладки (резина (Р) или фторопласт (Ф));
С3Р, С3Ф — Два монтажных фланца со штуцером с резьбой K1/4" (1/4"NРT); крепеж; прокладки (резина (Р) или фторопласт (Ф));
С4Р, С4Ф — Два монтажных фланца со штуцером с резьбой K1/2" (1/2"NРT); крепеж; прокладки (резина (Р) или фторопласт (Ф));
С5РФ, С5РФУ или С5ФФ, С5ФФУ или С5РМ, С5РМУ или С5ФМ, С5ФМУ — Два монтажных фланца со штуцером М20×1,5; две гайки М20×1,5; два ниппеля; две нижние прокладки (резина (Р) или фторопласт (Ф)) и две верхние прокладки (Ф-4-УВ15 или М1)*.